Huajian Aluminium Group Huajian Aluminium Group
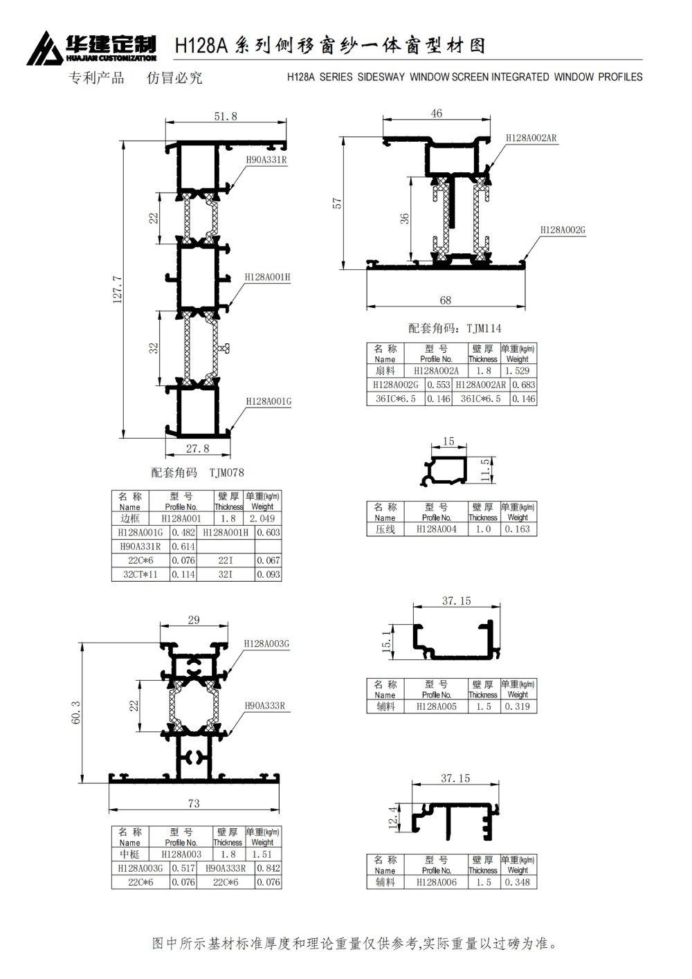
Huajian Customization - H128A Side Moving Window Screen Integrated Window Series

Huajian Customization

Huajian Customization - H128A Side Moving Window Screen Integrated Window Series

Product Advantages

·High-strength profile

·Outstanding heat insulation performance

·Optimization of multi-cavity structure

·Insulating strip (PA66) from a top domestic brand

·Strong weather resistance, adaptable to extreme climates

Product Details

150+There are over 150 extrusion production lines ranging from 600 to 10000 tons in total
80Annual production capacity of 800000 tons
1313 high standard laboratories
20+The group has over 20 years of experience in aluminium extrusion development

industrial advantage

· The raw materials are made of national standard A-grade aluminum rods
· Our own mold center, with mold accuracy reaching micrometer level
· 150 extrusion production lines, 10000 ton extruders, large production capacity
· Diverse surface treatments and leading processes
· Strong technical research and development capabilities, with patents, and participation in the formulation of national standards
· Flexible and diverse design
· International standard certification, going abroad to 50+countries and regions
· Endorsement of large-scale engineering cases
· One stop service
· There is a national testing center that can provide testing reports
· National enterprise qualification assessment and honorary qualification
· Green environmental certification
· 25 years of experience in customizing architectural profiles

Corporate Advantages

Having the ability to develop aluminum alloys, we can match alloy combinations according to different performance requirements of customers, which not only meets their needs for product performance and lightweight, but also achieves cost savings.
Based on the precision and performance requirements of the product, we can independently design the production process route, which greatly improves the performance of the welded parts and ensures the dimensional accuracy of the assembly.
Having the ability to develop and modify extrusion and stamping molds, reducing mold development costs.
Having automated extrusion production lines and CNC production lines reduces labor costs.
We have advanced production lines for surface treatment such as oxidation, electrophoresis, and painting, which can meet different customer requirements while reducing equipment investment costs.
The group currently has over 150 extrusion production lines ranging from 600 to 10000 tons, with an annual production capacity of 800000 tons, of which 40% are over 2000 tons. Including various specifications of extruders ranging from 500 tons to 10000 tons, the Sixth Factory is mainly dedicated to the production of industrial profiles and automotive lightweight profiles, with sufficient production capacity to meet customers' extrusion needs of various sizes and specifications.
We have established a national level standardized testing center, which has been accredited by the China National Accreditation Service for Conformity Assessment (CNAS) and accredited by the China National Accreditation Service for Conformity Assessment (CMA); There are 13 high standard laboratories jointly established, including chemical analysis laboratory, metallographic laboratory, mechanical performance laboratory, physical performance laboratory, spectroscopy laboratory, salt spray laboratory, and aging laboratory. Key instruments and equipment are imported from countries such as the United States, Germany, and Israel.
The aluminum extrusion experience of the group has a development history of more than 20 years. After years of verification and accumulation, a rich database of data and experience has been formed, including product databases, design standards, analysis specifications DFMEA、PFMEA、 Control plan, process validation data, etc.

Clicky